Опорно-стержневые высоковольтные изоляторы ПЗВИ

Опорно-
стержневые
изоляторы

изоляторы внутренней
и наружной установки

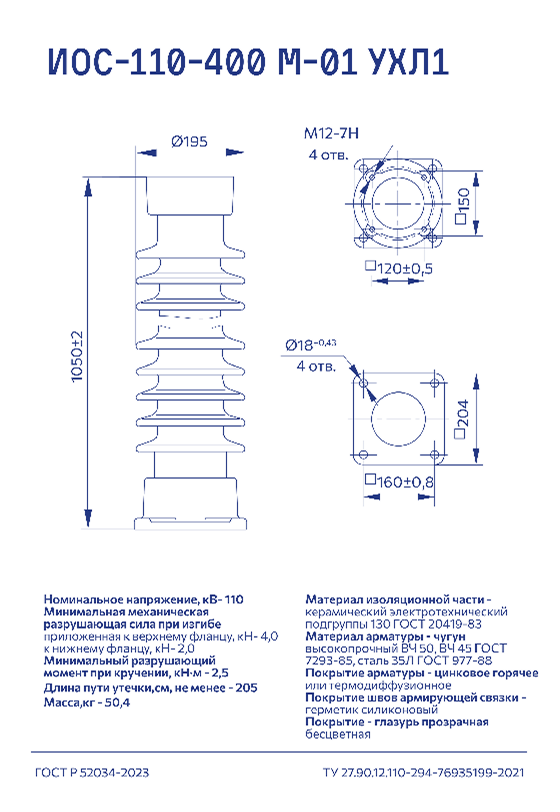
Электрические изоляторы предназначены для крепления шин, проводов и прочих токоведущих элементов к корпусу электроустановки, консолям опор и прочим конструкциям. Помимо этого, они изолируют проводники при прохождении через стены, позволяют отделить электроустановки друг от друга и прочие несущие функции. Конструкция и размеры изоляторов определяются прикладываемыми к ним механическими нагрузками, электрическим напряжением установок и условиями их эксплуатации.